杨府山高复 | 杨府山文化补习学校

网站首页 / 1月学考选考复习 / 7选3政史地

11月学考选考技术、生物、政治和化学这些科目的复习冲刺和答题要注意

下半年学考选考临近,在考前复习和考试答题中有哪些注意事项?今天请看技术、生物、思想政治和化学科目老师的建议。


技术(信息技术)


不少考生在进行信息技术学科的复习时会感觉到“知识散、操作多、算法难”,要想在有限的时间内高效复习,有效提升考试成绩,需要重视六个方面。


重视《考试说明》和教材


所谓“知己知彼,百战不殆”,想要在选考中发挥出较好的水平,在复习阶段就必须清晰地知道考试内容与要求。考生要认真研读《考试说明》,明确考试范围,复习过程中避免将过多的精力放在不考的内容上。


下表为 《浙江省普通高中学业水平考试暨高考选考科目考试说明·技术》中信息技术模块关于“信息的管理”的说明要求。



有些考生容易做错基础概念的选择题,在复习到一定阶段后,需再度阅读熟悉教材,在细节上完善学科知识体系。


例1  2018年4月卷第1题

下列有关信息的说法,正确的是

A.信息在计算机内部采用二进制代码表示 

B. 只有最新的信息才具有价值

C.只能借助计算机才能处理信息         

D. 信息不能脱离它所反映的事物被存储


选项A,是对教材《信息技术基础》第5页第2行的原文作了一点修改;选项D,是对教材《信息技术基础》第3页第17行的原文作了一点修改。由此可见,回归并熟悉教材是非常重要的。


复习建议:在复习过程中一定要回归教材,尤其是涉及到基础概念部分,例如《信息技术基础》第一、五、六、七章的内容,要根据《考试说明》结合教材理解知识,而不仅是单纯记忆,《多媒体技术应用》的第一和第二章也有很多知识通过教材中所举的事例更容易理解。有目的地回归教材是保证考试中基础知识题目不失分的有效方法之一。


整理归纳复习内容


“纸上得来终觉浅,绝知此事要躬行”。不少学生在备考复习过程中喜欢买很多复习用书,认为它们将所有知识进行了总结、归纳,将现成结论直接拿来用,简单又省事,殊不知,自己动手梳理、思考、分析得出规律,才能在脑海深处有效建立起信息技术的知识体系。看似花费功夫,实则是“磨刀不误砍柴工”,可以让“知识树”扎根大脑,让散而杂的知识和技能形成 “神经网络”。


复习建议:在复习阶段根据《考试说明》手工绘制或利用思维导图软件按知识模块形成图像以梳理学科知识体系。


关注错题解析


很多学科都越来越关注错题解析。对错题的再思考和解析,不仅要分析错误原因,还要透过错题所涉及的相关考点做到开拓引申,培养举一反三的能力。


进行错题解析时要问自己三个问题:(1)这道题考核了哪些知识点?(2)解这道题的关键点是什么?(3)这些知识点还能够怎样考?


通过错题解析,把错题的价值发挥到最大,相当于“一题多解”。做题时很多来不及思考的方面,在解析时则需要再回味,它包括对解题方法的开拓引申,即一道题从不同的角度去考虑,可以有不同的思路和解法。


复习建议:做好、用好错题本,分析考点、错误原因和解法,考前重视错题远比钻偏题、怪题更有价值。善于在自己的错误中寻找漏洞、汲取知识是提高成绩的关键。


注重操作实践


有的考生认为,纸笔形式的考试实际上就是以考核理论知识为主,只要认真记忆就可以了。其实不然,信息技术的考核是基于实践基础的分析、应用及解决实际问题的考核,脱离了操作实践的信息技术复习就是纸上谈兵。


比如2018年4月卷第6题考核了基于GoldWave软件的音频素材加工处理的基本操作,通过观察、分析操作前后编辑界面的变化,判断实现该处理效果的具体操作。这类试题要求考生必须有相对熟练的操作实践基础,操作技能的积累是不能单靠记忆来获取的。


例2  2018年4月卷第15题

(4)测试场景时,“标题”图层内容在播放完第40帧后消失。为了使该图层第40帧内容延续显示至场景动画结束,下列操作方法可行的有(多选,填字母:A.选中“标题”图层第41帧执行“清除关键帧”操作 / B.删除“标题”图层第41帧到第60帧 / C.选中“标题”图层第40帧执行“复制帧”操作,在第41帧执行“粘贴帧”操作 / D.选中“标题”图层第60帧执行“插入关键帧”操作)。


本题关于帧的基本操作对于很多考生而言是一大难点,各种操作容易混淆,若想拿到满分,不仅要会操作,还要掌握多种操作方法。因此,在复习阶段考生要根据自己的操作能力,合理安排上机操作的复习,不可仅仅“纸上谈兵”。


复习建议:信息技术是一门基于操作实践的学科,实践出真知,操作能力是转化为考试能力的一种保障,扎实的操作技能,有助于更深入地理解知识点。


注意针对性训练


复习中有计划的强化训练是必要的,但绝不是采用事倍功半的题海战术。做题要针对每个模块或整卷训练相应的目标,同时需要不断地总结,既要横向总结,也要纵向深入。


复习建议:要注意审题能力、答题规范、答题速度的训练。


首先,审题能力的训练。很多考生出了考场常常感叹“题目这个地方我没看到……”,这类考生的审题能力有所欠缺,造成了考试中“非能力因素”的遗憾。在平时的试题训练中就要注意培养高效审题的能力,杜绝“看漏”、“看错”、“没看明白”等情况的发生。


其次是答题规范的训练,注重非选择题规范答题要求的训练,避免错写、漏写和不规范的书写。表处理的试题,要按照Excel规范要求,公式、数据区域的书写不能随意,“=”不可漏写,“*”不可写成“×”;在多媒体综合题中,要按Flash规范要求,脚本命令的书写规范尤其要引起重视,脚本控制函数不能随意书写分家,如“gotoAndplay();”不可写成“go to And play();”。做题时养成良好的规范性,在考试中可大大减少丢分。


第三是答题速度训练,要注意训练整卷的答题速度,尤其在临考前两个月的训练中,最好是技术整卷的训练,并注意计时。


培养良好解题习惯


做到了审题有效、答题规范,接下来就要关注答题方法的训练。选考第16、17题都是算法大题,是整卷的控分点。要做好这两大题的关键是养成良好的程序设计习惯,掌握方法。


程序设计方法中有一个“自顶向下、逐步求精”的重要思想方法。将这个方法用于做程序设计大题时可采用“四步法”进行训练。第一步,明确程序功能(即程序要做什么,分清程序的输入、输出); 第二步,结构化阅读程序(明确核心变量含义、各部分结构功能);第三步,细化程序结构(结合核心变量的含义,读懂各部分程序处理细节的含义);第四步,“模拟”验证结果(在补充代码或改错的地方构造数据模拟验证)。


第一步一般通过对题目的文字阅读就能明确,当然复杂的题目还需要看例题、图解说明等帮助理解。第二步“结构化阅读程序”主要包括两部分,即读懂程序中前后有明显界限的不同模块以及关联模块之间的各种数据变量。第三步是关键步,这个模块包括实现模块功能的程序细节以及各种复杂的逻辑关系。不少同学在做算法与程序设计大题时,面对较大篇幅程序代码时没有良好的阅读程序代码习惯,从上到下逐行细读,不仅效率低而且不易读懂。第四步是必不可少的,验证尤其要注意边界情况,这种地方容易查出问题。


复习建议:做算法与程序设计大题时,研读模块代码至关重要,尤其要注意题目中的图示和注释,这在解题时往往能起到关键性的作用。复习过程中要有意识地训练合理的解题步骤,强化“结构模块化”意识,当然也要尽可能地抽时间上机编程,培养程序思维尤其是逻辑思维的能力。   


(本文作者:范诚)



技术(通用技术)


自浙江实行新高考以来,通用技术学考选考考查的知识点和考试题型基本稳定,在此基础上略有变化。11月份的学选考即将来临,考生如何才能发挥出自己的最佳水平?下面结合考试热点给出答题时的一些注意事项,仅供参考。


合理分配时间


技术是信息、通用的合卷,试题阅读量大、信息量多,学科知识思维跨度大,因此考试中时间的分配至关重要。


首先,合理分配各部分的时间并确定优先顺序。一般来说,信息技术与通用技术的做题时间要平均分配,建议先把信息和通用的选择题做完。考试时遇到难题要学会放弃,以免影响后面的答题。非选择题中的15题设计题和17题的电子综合题分值大,一定要认真对待,如设计题可以安排10分钟左右时间,电子综合题可以安排8分钟左右时间,但也不可花太长时间以免影响整体答题。


其次,充分利用好发卷到正式答题的5分钟时间,迅速浏览一下试卷构成,看看题型是否熟悉,做到心中有数,同时把重点放在设计题或三视图补线题上,利用这几分钟的看题时间,构思设计方案或者构思三视图所表达的形体,若能在5分钟想出大致框架,则答题一开始就把思考的结果以草稿形式画在试卷上,注意画图时间不要太长。


巧用答题策略


近几年的题型没有大的变化,但是对知识点的考查越来越全面,题干与选项的综合性增强,考试时若能将不同题型的答题策略运用得当,则可以节省时间,提高正确率。


1.概念性基础知识考题


概念性基础知识的考题有考核“技术的性质”、“设计分析”、“控制系统的组成”等,答此类题目,只有全面准确提取题目中的信息,与相应知识进行比对,才能得出正确结论,因此答题时要“仔细审题,把握关键”。然而,实际考试中,考生往往会出现浅尝辄止、一叶障目的问题,看到题中一段材料、得到一点信息就以为全面理解了,或是不能准确理解题目的真实意思而轻易下结论。比如历次考试中,“设计分析”是一个常考点,但得分都不理想。下面结合具体的例子简要分析。


例1(2017年4月卷第4题)如图所示是一款便携式折叠椅,下列对折叠椅的设计分析和评价中,不正确的是

A.既可作坐垫又可作椅子,符合设计的实用原则

B.支架间采用松铆连接,主要是从“物”的角度考虑的

C.为了便于携带及保证强度,要选择质量轻、强度高的材料

D.折叠或打开需要双手操作,既考虑了普通人群又考虑了特殊人群


例2(2016年10月卷第3题)如图所示是一款折叠电动自行车,下列关于该车的设计分析和评价的说法中不正确的是

 A.设计成可折叠结构主要考虑了“物”的因素

B.采用电动助力,主要考虑了“人”的因素

C.人力驱动车轮转动时,可以发电并对蓄电池充电,符合设计的创新原则

D.不仅可以骑行,还可以固定起来成为运动器械,符合设计的实用原则


这两题都考核了“设计分析中要考虑的人、物、环境三要素”,对于例1中的B选项和例2中的A选项,考生可能会想不明白:为什么采用松铆连接主要是从“物”的角度考虑是正确的,而设计成可折叠结构主要考虑了“物”的因素是错误的。这反映出学生对选项中所表达的意思没有准确理解。例1中的“支架间采用松铆连接”已在思考结构间的连接方式,连接方式包括榫接、螺栓连接、松铆连接等,主要是考虑如何实现产品的折叠功能,是从产品本身——“物”的角度考虑。例2中“设计成”其表达的是设计的目的,主要有:一是方便携带,如可以搬上楼,它是从“使用者——人”的角度考虑;二是节省空间,如可以放入汽车的后备箱,是从“环境”角度考虑。因此理解信息给出的意思是答好此类题的关键。


又如对于“控制系统的组成”的考题,答题时一般应先分析控制的三要素:被控对象、目的和手段,其中最关键的是要先明确控制目的(被控对象),以免造成不必要的失分。


2.技术实践应用型考题


通用技术是一门注重实践的学科,在学考、选考中,与实践操作相关的题目占很大比例,如工艺操作规范、工艺流程、三视图补线等。这类考题除了平时加强实践操作与练习外,还要掌握一些“典型思路”。


如工艺考查的知识点较多,一般涉及基本的工具、操作步骤、操作规范和工艺流程。其中工艺流程的选择难度比较大,在答题时可以应用一些“典型思路”来解决问题。


思路1  金工工艺一般的流程有划线—锯割—锉削;要先钻孔再攻丝,表面处理的电镀、淬火,一般先淬火再电镀。


思路2   工件的斜面上有通孔、腰(方)形孔、C形槽等一般要先钻孔再锯割、锉削。


思路3   没有精度要求时,弯折而成的工件中有通孔,一般先钻孔再弯折。


尽管有了这些思路,但工件千变万化,答题时还是要根据工件的特点作具体的分析。


例3 (2017年4月卷第8题)在通用技术实践课上,小明准备用外形已加工的矩形钢制作如图所示的零件,设计了下列工艺流程,其中合理的是

A.划线 → 钻大孔 → 锯割槽 → 钻小孔 → 锉削

B.划线 → 钻大孔 → 钻小孔 → 锯割槽 → 锉削

C.划线 → 钻小孔 → 锯割槽 → 钻大孔 → 锉削

D.划线 → 锯割槽 → 钻大孔 → 钻小孔 → 锉削


例3中有与C型槽类似的结构,4个选项的第一步都是先划线,可按照思路2,先钻孔再锯割,还需根据对象特点选择先钻小孔后锯割槽,否则先锯割槽再钻小孔,槽的侧面连接处容易断裂或变形,所以正确选项是B项。零件加工的流程反映了工艺的内在机理,既考虑加工质量又考虑效率,例3中钻大孔与钻小孔可以颠倒,但先钻孔后锯割槽的顺序不可颠倒。


再如电路综合题中,电路连线是常考题型。连线题可以归纳为三种模式。第一种是电路的控制部分需要连线,需要根据已知输入、输出的条件和功能推导出控制部分所处的工作状态,然后根据控制器的工作特性进行连线,因此在答题时千万不能混淆控制部分的元器件特性、集成电路的功能、特性。


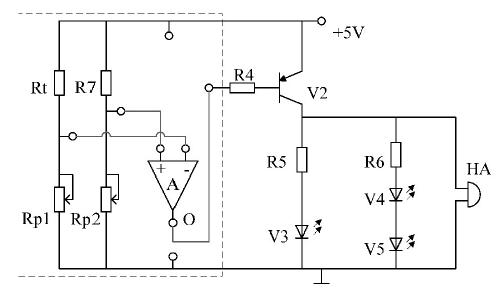
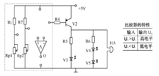
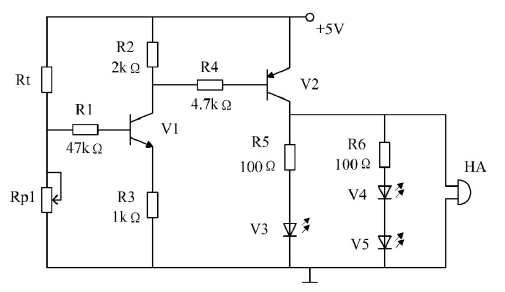
例4 (2017年11月卷第17题)【加试题】小明设计了如图所示的温度报警电路。当检测到的温度高于设定值后,V3随温度升高逐渐变亮,如果温度继续上升到一定值后,V4、V5开始变亮,最后蜂鸣器HA发出报警声。根据电路图和功能要求完成下列任务:



(4)小明在调试电路时,不小心损坏了三极管V1,准备用电压比较器代替三极管V1来实现温度过高报警,请你帮助小明在电路图虚线框中将比较器连接好;



根据电压比较器的功能,它的“+、-”两端一定是接来自于输入部分的信号,即题中由Rt 和Rp1、R7和Rp2组成的分压电路输出的信号,其输出端O一定是接下一级电路的输入端,即R4前的端口,有了这些判断,在答题中就不会犯低级错误,如把其O端接到电源端或是接地端。本题根据输入、输出的特征分析,其正确的连线如下图所示。



第二种是已知输入、控制部分,要求在输出部分连线;第三种是已知控制、输出部分,要求在输入部分连线。虽然模式上不同,其根本还是要如上所述掌握元器件(集成电路)的工作原理,才能以“不变应万变”。


重视答题规范


在设计题和三视图补线题中,设计题要按设计要求设计出方案并清晰呈现,三视图按题目要求补出相应数量的图线,另外在答题时要注重技术规范。如设计题的尺寸标注中,通孔的数字前要加直径的代号,不能遗漏。三视图补线时,首先,不能徒手画线,要用三角板、直尺等工具作图;其次所补图线的线型要符合国标规范,可见轮廓线用粗实线,不可见轮廓线用虚线,所补图线也必须符合 “长对正,高平齐,宽相等”的投影规律;最后一定要注意题目要求,不要多补线,以免倒扣分。


总之,在平时的学习中,大家要多动手操作,增强自己的技术素养;考前要进行适当的模拟练习,提高自己的答题速度,仔细分析答题情况,找出失分点,有针对性地训练提升,做好考前冲刺;考试中掌握一定的答题技巧,发挥出自己的真实水平。

 

(本文作者:黄鹏振)


生物


11月学考选考在即,笔者针对前几次考试阅卷时发现的同学们的答题错误,进行了分析和总结,对答题提出建议。


精准审题


学考选考生物题目信息来源广泛,题设巧妙。要快速排除无效信息,实现精准审题,建议在通读题目的基础上,根据问题或选项挖掘对解题有用的信息,划出关键词句,关注题中的“限定因素”如“场所”、“不能”、“错误”、“都”、“至少”、“根本”、“直接”、“最多”等。谨防选项中“似是而非”的知识的干扰,避免思维定势,要善于多角度思考问题,准确把握关键词句及时间、条件等“限定因素”,为解题提供保障。


例1(2017年11月卷第32题)(二)回答与植物克隆和动物克隆有关的问题:

(1)利用植物愈伤组织获得再生植株主要有两条途径:一是由愈伤组织的细胞先分化产生芽和根后再形成一个完整植株的__________途径,二是由愈伤组织的细胞产生胚状体后再萌发形成完整植株的胚胎发生途径。……(2)……或利用异源植物在试管内进行__________,对其产生的胚进行培养产生杂种植株。


本题第(1)题第一空的填写,可从题目前后的信息描述中找到关键词句“两条途径”和“二是由愈伤组织的细胞产生胚状体……胚胎发生途径”,结合书本知识,可知“愈伤组织的细胞先分化产生芽和根”对应的应是器官发生途径。


第(2)题的最后一空对应的“限定因素”是“其产生的胚”,结合书本中“胚”形成之前的生物学发育过程,可知应填“受精”。


灵活解题


解题时要运用头脑中已经建立起来的生物知识结构,灵活提取积累的知识,寻找知识交叉点,结合有关理论知识做出判断、推理、分析与综合。在寻求答案的过程中,要善于运用排除法、逆推法、比较法、信息转化法等多种解题方法。


1.排除法


常用两种策略:第一种是排除选项描述本身错误或选项描述逻辑关系错误的;第二种是排除不符合题干信息的。


例2(2018年4月卷第25题)miRNA是一种小分子RNA,某miRNA能抑制W基因控制的蛋白质(W蛋白)的合成。某真核细胞内形成该miRNA及其发挥作用的过程示意图如下。

下列叙述正确的是

A.miRNA基因转录时,RNA聚合酶与该基因的起始密码相结合

B.W基因转录形成的mRNA在细胞核内加工后,进入细胞质用于翻译

C.miRNA与W基因mRNA结合遵循碱基互补配对原则,即A与T、C与G配对

D.miRNA抑制W蛋白的合成是通过双链结构的miRNA直接与W基因mRNA结合所致


解答该题时首先排除选项描述本身错误的A和C选项,A项中起始密码应位于mRNA上,C项中应是A与U配对。接着由图中miRNA蛋白质复合物与W基因的mRNA结合,可知D项也错误。从而选出正确的是B。


2.逆推法


逆推法常用于按照正常思维方式解答行不通或比较复杂的选择题,具体方法是先从答案入手逆推出产生这种结论需要哪些条件,然后根据是否与题干中的信息条件相符,选出符合题意的正确选项。


例3(2017年11月卷第22题)二倍体生物(2n=6)的某细胞处于细胞分裂某时期的示意图如下,其中①~④表示染色体。据图分析,错误的是 

A.该细胞可表示次级精母细胞或第二极体

B.该细胞的染色体数目与体细胞的相同

C.①②③含有该生物的一套遗传物质

D.图中基因g可由基因G突变而来


该题如直接根据题意来选择答案,很容易陷入思维定势,认为A项正确。采用逆推法,画出A项的次级精母细胞和第二极体的染色体图可知,该细胞不可能是第二极体,A错误。


3.比较法


所谓比较法,就是分析题干信息之间、选项之间、选项与题干信息(概念、结构、原理等)之间的关系。只要正确分析了这几种关系,题目自然迎刃而解。在选择题中,可以通过比较选项间的关系,由正确选项与其他选项之间互相排斥的关系,找出正确答案。


例4(2018年4月卷第6题)下列关于人体内性激素的叙述,错误的是

A.睾酮促进卵细胞的发生

B.雌激素促进女性皮下脂肪的积聚

C.雌激素增强输卵管和子宫的活动

D.雄激素促进男性附属生殖器官的生长


该题考查的是性激素的生理功能。解题时,如对书本中相关知识的记忆出现缺失或混乱,可用比较法。四个选项中,A项的睾酮(雄激素)促进卵细胞发生,对女性起作用,在逻辑关系上与B、C、D项中雌激素作用于女性、雄激素作用于男性相互矛盾。所以,A项错误,根据题意选A。


4.信息转化法


信息转化法指将所给信息进行合理转换的一种解题方法,常见的有图表转换成文字、文字转化为图表等。例如,在无系谱图只有文字表述的家族性遗传病的计算中,经常阅读文字两三遍后还是云里雾里:家族中哪些人正常?哪些人患病?他们之间有什么血缘关系?但如果把家族成员患病情况绘制成系谱图,则一目了然,从而可迅速求解。


规范答题


1.表述科学


在非选择题答题中,科学作答不可忽视。在准确判断出试题考查知识点涉及的课本中生物学的基础概念、原理、规律后,应联系题干中的背景知识,尽量用专业术语来回答。


专业术语不能出现错别字。生物学专业术语是生物学领域对一些概念和名词的统一称谓,在解题时,一定要避免写错别字。例如,“类囊体”不能写成“内囊体”等。平日练习既可以通读教材明确正确写法,也可以摘抄平时练习和考试答错的术语,重点复习。


专业术语的运用要符合科学性。在往年的阅卷中,总有不少学生在使用专业术语回答问题时,由于表述不科学而失分,比如:把酶失活写成酶死亡,光合速率写成光合速度。这就要求同学们多看、多记,考前通读教材,对一些常见、重要的概念进行分析理解,考试时尽量用课本“原句”作答。


2.表达到位


在非选择题答题中,当涉及机理、原因的陈述时,往往会出现表述不到位的现象。要避免此现象的发生,需注意精准审题,明确考查的知识点,还多角度考虑问题,精心组织语言,做到层次清晰、条理清楚、逻辑严谨,回答完整。


例5(2018年4月卷第33题)(3)某同学进行切除甲状腺对小鼠体长影响的实验,观测到切除甲状腺的幼年组小鼠体长增加明显低于未切除组,其机理是__________。


该题阅卷过程中发现不少学生回答:甲状腺激素能促进小鼠的生长发育,切除甲状腺后,甲状腺激素分泌不足。如果在审题时,明确该题考查的是甲状腺激素的功能这个知识点后,再联系题干中的切除组小鼠体长增加明显低于未切除组,可知切除组小鼠生长发育变慢的机理是切除甲状腺后,甲状腺激素浓度下降,导致物质代谢与能量转换下降。


3.书写规范



还有的考生将常染色体写在性染色体后,R写在r后,这些均会失分。


图表的绘制同样要规范,坐标图和表格一定要有标题,坐标图要有横纵坐标的箭头和含义,有多条曲线或多种柱形图的要有对应的图例。


例6(2016年4月卷第33题)为研究某生物制剂(W)具有促进细菌B增殖的作用,请根据以下提供的实验材料,以细胞数变化为检测指标,提出实验思路,并预测实验结果。

(2)预测实验结果(设计一个坐标,用柱形图表示至少3次的检测结果):


答案:



本小题考生能拿满分的很少,往往出现横轴的箭头没标、纵轴的含义没写、图例没画等规范性错误。所以,在平时的练习和考试中要加强图表的规范性训练。

 

(本文作者:徐月明)


思想政治


主观题是学生失分的“重灾区”。在此以2018年4月选考试题为例,通过对学生在主观题答题中的失分情况分析,探索主观题备考路径,力求提高备考效率。


根据“要求” 夯实基础


对于备考而言,尤其要重视把握《浙江省普通高中学业水平考试暨高考选考科目考试说明·思想政治》(以下简称“考试说明”)中的“考核要求”。考核要求分三个层次,从低级到高级依次分为识记、理解、应用,分别用字母a、b、c表示。许多教师在复习备考中却缺少对三个层次具体含义的理解与领悟,对知识条目的复习解读存在“度”上的不准确甚至不科学,导致学生失分。


如2018年4月卷中38(1)题干中的“文化的力量”相关知识,其考核要求是“b”级,即理解。其含义包括三层:理解思想政治学科的基本概念、基本原理和基本观点;把握知识内部各要素之间的逻辑关系;能够依据所学知识对一些现象或观点作出初步判断或说明。因此,复习备考“文化的力量”,也必须相应地从三个层面入手:一要识记“文化作为一种精神力量,能够在人们认识世界、改造世界的过程中转化为物质力量,对社会发展产生深刻影响”这一基本观点;二要理解这一基本观点中“精神力量与物质力量”之间内在的逻辑关系,即要求明白文化作为精神活动、精神产品,就其内在属性来说,首先是一种社会精神力量,同时,当人们在认识世界、改造世界的过程中又能够转化为物质力量;三是在前两点把握的基础上,可以“对一些现象或观点作出初步判断或说明”。本题要求依据所学“文化的力量”知识,说明马家村重振乡村过程中文化所起的作用,即作为“精神力量”所起的作用和“转化为物质力量”后所起的作用,答案要点就非常清晰了。


2018年4月卷中涉及的“理解”级的综合题考点有“影响价格的因素”、“国家财政”、“英国内阁和首相”、“国体与政体”,与“考核要求”相呼应,这些“理解”级考核要求知识点被作为主观题的知识考核主干时,在设问中的解题要求都是“说明”,如果备考复习能够依据“理解”含义的三层要求进行,既可以准确把握知识点复习的深度与广度,又可避免知识点讲解时的无效重复。同样,对“识记”和“应用”要求的知识条目,也必须按其具体含义要求进行复习,这样才能切实增强基础知识复习的针对性与科学性,提高答题准确性。


探寻规律  培养能力


这里的“规律”,一是指探寻教材知识的内在逻辑特点与固有规律,培养学习能力,二指梳理命题趋势和答题规律,提高答题能力。


首先,以《国家和国际组织常识》为例,探寻这一模块的知识特点与规律。这一模块中专题一为共性的国家与国际组织知识,其他都是具体的各个国家与国际组织的介绍与认识,其知识体系的特点是概念多、关系多。但如果仔细分析与梳理,就不难发现其有较为明晰的内在规律。其中国家部分,无论是共性的还是国别的,其实教材涉及的就只有“一内容三形式及其相互关系”,即国家的内容或本质(国体)与国家的政权组织形式、国家结构形式、国家权力运行方式之间的内在关系。根据考核要求,综合题考核等级基本都属于“理解”、“应用”要求,因此,备考复习的内在规律在于把握共性的国家内容及其内部各要素之间(民主与专政之间)的关系、三方面形式及其内部各要素之间相互关系和三方面形式与国家内容之间的关系。类推到国别各专题,就在于把握教材涉及的英国、法国、美国的国家结构形式、政党制度、权力运行方式的内部各要素之间关系以及这些形式与国家本质之间的关系。教师引领学生理解教材知识的特点和规律性的东西,既可以化繁为简提高复习效率,又可以培养学生自主学习、归纳提炼的能力。


其次,研究历次真题,摸索这一模块的综合题命题特点与规律,提高学生的答题能力。综合分析这一模块新高考历次试题、设问与答案,不难发现命题特点与答题一般规律。以2018年4月卷39题为例:   


自从启动英国“脱欧”程序以来,特蕾莎·梅首相遭遇了诸多挑战。首先,为提高支持度、稳固执政地位,她提前举行了大选,结果执政的保守党反而失去了议会多数党地位。与此同时,反对党工党领袖科尔宾呼吁特蕾莎·梅为“真正能代表这个国家的政府”让路,并承诺在脱欧过程中,工党将会把“劳动人民”放在首位。此外,保守党内部“特蕾莎·梅应辞职谢罪”的呼声不新。种种挑战使特蕾莎·梅沦为“弱势首相”。

结合材料,运用《国家和国际组织常识》中的相关知识,回答下列问题:

(1)运用“英国内阁和首相”的知识,说明特蕾莎·梅沦为“弱势首相”的原因。

(2)从国家制度的角度,说明工党领袖科尔宾呼吁与承诺的实质。


试题直接取材于“英国脱欧”这一国际时政大背景,以英国国内两大执政党内部和执政党之间真实的互怼、竞争、倾轧为素材,考查学生对现实现象与问题的“初步判断与说明”的能力。这是《国家和国际组织常识》模块综合题情境材料编制的一贯特点,即试题情境都来自当年国际时政热点,真实地描述各国权力主体在某一现实问题中的做法及其相互制衡关系,反映英法美各国或国际组织政治制度运行中现实的情况与问题。


从问题的设计看,都分两小题,设问或为“描述关系,说明道理”,或为“分析现象,把握实质”,且材料隐含及所需要分析的道理多为西方国家政治制度运行过程中的弊端与不完美的道理。本题也分两小题,都考查“理解”层级中“基本概念、基本观点内部各要素之间的关系”,第一问运用英国内阁与首相相互关系知识,说明现实问题的原因,第二问从国家制度与国体政体、国体与政体的相互关系,说明政党活动的实质。延续了历次本模块综合题设问的一般趋向。


试题答案一般包含三个层面。如该题第(2)问的答案:


国家制度包括国体和政体。国体决定政体,政体体现国体,一定的政体服务于一定的国体。这一部分为基本知识的再现。


英国是资产阶级专政的国家或资本主义国家,其议会制君主立宪制政体是资产阶级政权组织形式。这部分为基本知识与情境主体的挂钩或接轨,或叫知识迁移。


工党、保守党或英国两党,是资产阶级不同利益集团和阶层的代表,都是为资产阶级服务的。这部分才是真正的说明,从形式渐入本质,从而导出结论。科尔宾的呼吁和承诺,实质上只是虚伪的政治口号。这是结论。


可见,本题答案由“基本观点再现+观点与材料的链接点+问题的落脚点”三个层面组成。其实,这是绝大多数政治学科综合题的答题规律。养成分析真题及其答案的习惯,探索命题特点与规律,有利于提高答题能力与复习效率。


关注现实  提升素养


强烈的时代感、生活化与实践性,是思想政治学科的突出特点,特殊的德育功能与价值引领又是思想政治学科的固有性质。高考政治试题尤其是综合题备考,必须关注学生身边的“生活”实际,又紧跟国家大政方针和国际国内形势。


鉴于2017年农业供给侧改革重点是在新发展理念引领下,“坚持以满足农产品的市场需求为导向”,其中“供给侧结构性改革是引领高速度向高质量发展方式转变的主线”,“结构调整是关注焦点”,2018年4月卷37题、38题的问题情境都面向农业、农村问题,37题围绕优质粮食的生产、供给和消费话题,隐含了党的十九大关于我国主要矛盾的变化“人民群众日益增长的美好生活需要和不平衡不充分的发展之间的矛盾”,材料中反映出人们需要更高质量的产品和更优质的商业服务,涉及经济发展的下一步着力点是必须实现高质量发展,而高质量发展是对我国经济发展阶段变化和现在所处关口作出的重大判断。38题以实施乡村振兴为背景,第一问强调乡村振兴,即需要以社会主义核心价值观为引领,充分发挥文化在乡村振兴中的作用,第二问突出农村发展是一个整体工程,离不开产业兴旺、生态宜居、乡风文明,要求从“整体和部分关系”分析马家村整体开发获得成功的原因,深入体现了政治学科考查对当前国家工作重点的密切关联性与价值导向。


39题以英国脱欧为背景,通过工党领袖科尔宾的呼吁说明英国两党所代表的是资产阶级的利益,而非绝大多数民众的利益。在比较说明中让学生体悟中国共产党领导以及人民当家作主的真实性、优越性,增强学生对中国共产党领导和社会主义制度的政治认同与制度自信。40题的案例以购买手机为背景,引导考生认识到,当自己的合法权益遭受侵犯时,要善于运用所学法律知识,维护自己的合法权益。使学生通过对案例的分析和解读,增强自身的法治意识和公共参与能力。


因此,无论是高中思想政治学科的备考还是日常教学,都必须既仰望星空,又脚踏实地,把学科逻辑与实践逻辑、理论知识与生活关切有机结合起来。如今年备考,必须关注十九大报告中的重大理论创新和新修订教材与原来教材的变化调整处。

 

(本文作者:张洁华  高级教师)



化学


化学试题考核以主干知识为主体,考查学生的掌握程度与应用能力。学生在复习冲刺和考试答题中要注意以下几个方面。


重基础


必考试题注重课本基础知识和基本理论,其中了解性知识约占50%,容易题约占一半,尤其是前15题务必要求拿满分。考查知识包括:物质和化学反应的分类;常见物质的性质、用途和鉴别;分散系的认识;常见仪器的名称和操作;结构示意图、电子式、结构式、化学方程式等的辨识、书写等。要明确掌握物质结构与元素周期律,氧化-还原反应和离子反应,常见元素及化合物的性质和应用,能结合实验现象或定量计算进行物质推断。在解答元素化合物类填空题时,要特别注意化学用语的正确书写和规范表达。在一定时间内优先优质完成学考题目是选考成功的前提。


例1(2017年4月浙江27)为探究黑色固体X(仅含两种元素)的组成和性质,设计并完成如下实验:

请回答:(1)X的化学式是________。



元素推断题注重核心素养的考查,着力考查运用化学知识分析、解决具体化学问题的能力,对试题背景的理解和设问的起点不高,问题的难度由低到高,要把问题全部回答完整和正确有一定的难度。解答此类题目,首先根据实验现象进行定性分析,然后依据相关数据进行定量推理,进而得出正确的结论。


讲原理


强调理解和运用化学反应原理知识,能灵活运用相关的化学原理知识去分析和解决实际的化学问题,并能建构运用化学原理知识解决具体化学问题的模型,如电化学。


1.电化学知识


落实下列知识:原电池的原理、构成条件、电极反应;电解池的构成与工作原理,电解的电极反应与总反应方程式,电解前后溶液中的酸碱性变化,金属的冶炼、氯碱化工、电镀等应用。


2.溶液中的离子反应


理解水溶液中的电离平衡与水解平衡的相关原理知识,结合试题给出的滴定曲线或分布曲线等,灵活运用电解质溶液中的物料守恒、电荷守恒、质子守恒等知识,定性定量解决溶液中的离子浓度大小关系、溶液的酸碱性判断等问题。


3.化学反应速率与化学平衡

考点涉及化学反应速率及影响因素、化学平衡与移动、化学平衡常数应用等。能理解和应用选择性、转化率、活化能、活化分子、有效碰撞等知识。平衡问题的计算基本模型就是“三段式”计算,务必熟练掌握应用。




循规矩


实验是化学的根基,问题始终遵循“原理-操作-现象-结果”的基本思路展开,每个实验问题都要清楚“实验目的,如何操作,结果如何”。试题以化学物质的制备为背景,主要考查常见仪器的应用、实验装置的合理组装、结晶过滤等重要基本操作,充分重视产品的分离提纯与检验,常通过定量分析的方法加以证明。解决这类问题的关键在于全面分析制备流程,准确提取核心原理与重要操作,用简洁的语言精准表达。




抓突破


试题通常提供以有机物合成为背景的流程图,综合考查有机物组成、性质和结构的推断,考点涉及有机反应类型的判断、化学方程式和同分异构体的书写、从特定原料出发设计制备有机物的方案等。通过学生已掌握的有机化学基本反应类型,如取代反应、加成反应及重要官能团,如醛基的性质,结合理解和应用试题给出的重要信息,在流程图中找到解决问题的突破口。准确书写有机物结构式和有机反应方程式,规范地设计指定目标的合成路线,完成相关问题的解答。


例4 (2017年4月浙江加试题32)某研究小组按下列路线合成镇痛药哌替啶:



此外,有机问题中的同分异构体的分析与书写一直是一个难点问题,建议学生根据自己的能力水平进行合理的取舍,宁少不错。合成流程图当中关键是条件的选择与试剂的选择相匹配,且注意规范书写。

            

认真总结近年选考化学试卷命题情况,熟悉试卷结构,充分明确试题功能,落实答题准确规范,提升分析解决问题的能力,在有限的时间内力争成绩的最大值是备考的基本策略。

上一篇:浙江省宁波市镇海中学2019届高三10月月考政治试题

下一篇:浙江教育绿色评价联盟2019届高三10月适应性考试政治试题